关于印发《平南县进一步加强和规范村级组织财务支出管理有关规定》的通知
各乡镇人民政府、各街道办事处,各村(居)委会、村级集体经济组织:经县人民政府审定同意,现将《平南县进一步加强和规范村级组织财务支出管理有关规定》印发给你们,请结合实际贯彻执行。
0评论2026-01-1897
- 2025,跨境电商跑进下半场:告别低价,搏杀品牌
0评论2026-01-18
- 2026茯苓价格预测:道地产区加持+周期反转,优质货涨价空间凸显
0评论2026-01-18
大益普洱茶未来五年走势分析
说到大益普洱茶或许很多茶友并不是非常清楚,只是知道大益天价茶被媒体报道出来造成了一定的影响。对于不知情的吃瓜群众这种倾向性的报道会造成大家对大益普洱茶的偏见。
0评论2026-01-18170
- 追寻轴承自动磨床的故事
0评论2026-01-18
- 跨境物流再升级、试点“一站式”直达……多举措全力稳住外贸基本盘
0评论2026-01-18
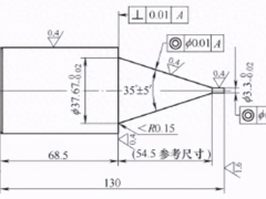
- 精密带肩锥度零件的磨削加工
0评论2026-01-18
中国所有城市房价收入比排名
全球城市楼价排名,香港***,深圳第五,北京第九,你怎么看哪些地区的工资比较高且适合定居五六线城市,工资普遍2000-3000元,房价5000-6000元一平米
0评论2026-01-18109
- 还是原来的味道,新一代奥迪A6旅行版发布,看似保守实则变化大?
0评论2026-01-18
世界主要城市房价排名(实用应用文)
世界主要城市房价排名文档信息主题: 关于“建筑或环境”中“古建工程”的参考范文。属性: Doc-901124,doc格式,正文1672字。质优实惠,欢迎下载!适用: 作为..
0评论2026-01-18135
- 全球最昂贵房价! 加州四城上榜, LA排名第五!
0评论2026-01-18
- 最近这“3件”外套好火,迫不及待想穿上了!
0评论2026-01-18
- 2025浦东机场停车攻略:官方收费130?60?教你20元/天省钱停车
0评论2026-01-18
外圆磨床加工、特点与用途及其磨削特点
外圆磨床分为普通外圆磨床和万能外圆磨床,在普通外圆磨床上可磨削工件的外圆柱面和外圆锥面,在万能外圆磨床上还能磨削内圆柱面和内圆锥面和端面 外圆磨床分为普通外圆磨床和万能外圆磨床
0评论2026-01-1885
交水费全城"无障碍" 春节中原路营业厅不休息
无障碍设施让交水费的市民们有了“绿色通道” (记者 于梦溪 通讯员 曹俊萍)“这下好了,以后到营业厅交水费再也不用费劲儿上下台阶了!”近段时间
0评论2026-01-18150
- 聚焦高端装备自主化 宇环数控多品类机床抢占航空航天赛道
0评论2026-01-18
- 中央规定:公职人员出差住宿、交通、伙食费标准!
0评论2026-01-18
南京设54个自助洗车点 每次只要6.99元
春节将至,洗车店先是涨价,接着就关门了,年前想要洗车还真是难。一到夜间,大街上的黑洗车点开张了,便宜的价格吸引着出租车前去光顾,不过冬季这流淌的污水易结冰,还污染了环境。
0评论2026-01-18129
- 上海浦东机场停车哪里划算,上海浦东机场停车怎么收费
0评论2026-01-18