五菱之光喇叭不响
案例32 五菱之光喇叭不响
一辆五菱之光,2007 年车,因喇叭不响进厂维修。检查到喇叭保险烧了,重新更换了另外一个保险后让其走了。第 2 天,车主又来到厂,说喇叭没有回到厂就不响了。
于是检查了保险,还是保险烧了!在未装回保险丝的情况下查看了喇叭的供电线与继电器的 30/87 线,以及喇叭控制85/86 线路,无任何问题(无正极对地及对负极短路),由于原来的喇叭继电器供电线(30 线)与 85 为同一线,改为 30 直接取自另外一根常电线后,在处理此车之前由于加装中控中锁的线路(有些断线直接剪断,没有包起来,有些线有 12V 正电)全部用绝缘胶布包扎起来,以防在行车过程中碰到搭铁短路,经几次长按喇叭,没有故障现象出现,交车;并叮嘱其公司所有的驾驶人员万一喇叭有故障不响,密切注意不响前一段时间的路况以及操作等细节。过两天,客人又来说喇叭又不响了。此时,本人介入维修。
故障诊断:
我首先向车主询问了故障发生时的详细的情况,他开始说没有什么特别的情况。但后来又说
是在踩制动的时候按喇叭发现喇叭不响了。难道制动会影响喇叭?查看了保险盒内的保险丝说明,结果,此车的保险丝说明纸已经没有了。
查看了资料,找到了保险说明(如图89所示红色部分),发现喇叭与制动为共用保险供电。于是在喇叭不响的情况下,查看了制动情况,看制动时制动灯是否亮起,结果没有亮起。另外,仪表灯、位置灯也没有亮。

换上15A保险丝后,仪表灯亮,打开组合开关第一格,位置灯也点亮,但是踩下制动的时候,位置灯反而变暗了,制动灯仍有点点红,不正常的亮了!这情况不正常,推断为制动灯电源对地短路了。为了证实存在短路,拆下后两组合灯,找到了制动灯的电源线,用万用表测量制动时的供电情况,后制动灯电源只有3.4V,测量电源线对地电阻只有1.7Ω(如图90所示),确实是短路了!至于在哪里短路了?

这是个难题,一般在处理这种问题时是重新拉线,因为查这种线路确实是比较难,费时,不赚钱。但是重新拉线会有些难看,加之喇叭不响连这次已经是第3次了,也会影响客人对我们技术的信心。
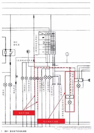
本想从制动灯开关那里往后查的,结果发现制动灯开关的线直接往仪表台里面走了,顺线路制动开关查找故障的做法太过复杂,没有采用。于是寻思从制动灯往前查,为了谨慎起见,重新查看了整车电器系统电路图,发现除了普通在组合后灯有两个制动灯外,还有个可选配的高位制动灯(如图91所示,摘录有用部分,为了直观,把制动灯线路用虚线标示出来,高位制动灯部分用红框框起来),查看该车,确实有高位制动灯。

此时,后两个组合灯已经拆下来,只有插线、高位制动灯没有检查。会不会是在高位制动灯那里接头短路呢?抱着怀疑的态度打开了接后面高位制动灯的线,结果一看,发现了问题,不知道谁把高位制动灯的正极与负极直接连接在一起了(如图92所示)!

故障排除:
正确连接高位制动灯,测量踏板制动踩下去的时候测量制动灯供电的电压,约11V,再次断
开制动开关的插头,检查制动正极对地电阻,为无穷大(无穷大电阻万用表显示为0L,注意不是0.0)。
故障总结:
本人接手此车之前,从未维修过此类微型车的制动电路,得益于正常的维修思路以及与车主
的充分沟通。
(1)可能在部分维修中、高挡车的技师固定思维里,制动与喇叭不可能是同一保险供电,但是在低档车里,却是常有的事。我们在无法确定的情况下,可以通过查看保险说明、电路图等方式获得正确的信息。本案例实际上是通过装上烧断的保险丝后,仪表供电正常了,喇叭也正常了来初步确定的。
(2)对于类似的“疑难故障”,一定要与车主或者驾驶员进行充分的沟通,了解故障发生前、发生时的路况,做了什么动作等细节的东西,在此案例中,驾驶员说他在制动后按喇叭发现喇叭不响了,才使我特别注意到制动与喇叭的供电关联。避免了“头痛医头,脚痛医脚”的表面维修。
(3)在怀疑制动灯短路的情况下,通过量取制动踏板踩下时的制动灯的供电电压,以及测量了制动供电对地电阻的大小来确认了短路的存在。
(4)通过一步一步检查,从简到繁的基本步骤,彻底解决了问题。
(待续)

93
112
161
136
173
241
126
231
258
232 Copyright © 2012-202X
苏ICP备12014991号-8
联系邮箱:18951535724